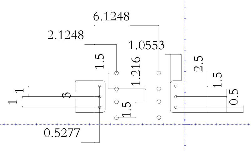
For those of you with the pocketed Mag-Lok plate here is the hole pattern. This pattern is also available in .dxf format. Email or pm me with your email address for the .dxf if you want it. This is for adding extra tools to your CNC system.
We will be updating this thread with the latest info. For now here are the drawings for the 8 hole mount pattern (shipped before 3-25-2012 3/8 fine thread, shipped after 3-25-2012 7/16 fine thread). The 3 hole pattern on either side is 1/4-20.
